立式滤筒式除尘器采用了折叠式结构形式,滤料采用微孔薄膜复合滤料,因而具有独特的 技术性能及运行可靠等优点,适合物料回收除尘及空气过滤之用。立式除尘器的滤筒有斜插 (LW型)和直插(LL型)两种安装方式。形成L系列产品。
(1) L系列滤筒除尘器,由单元体(箱体)1?8只组成,可根据具体要求灵活地任意组 合,单元体本身就是一台完整的除尘器,可以单独使用。
(2) L系列滤筒除尘器配备有多种规格(过滤面积)和不同滤料,适用于不同粉尘性质、 温度、含尘浓度0.5?5.0g/m3的气体除尘或空气过滤,除尘效率达99. 99%。
(3) L系列滤筒除尘器配备有多种安装结构形式,可根据实际情况选用。
(4)滤料采用微孔薄膜复合滤料,实现了表面过滤,清灰容易,阻力小,具有运行稳定性 及技术可辟性。
除尘器一般为负压运行,含尘气体由进风口进人箱体,在滤筒内负压的作用下,气体从筒 外透过滤料进人筒内,气体中的粉尘被过滤在滤料表面,干净气体进入淸洁室从出风口排出。 当粉尘在滤料表面上越积越多,阻力就越来越大,达到设定值时(也可时间设定),脉冲阀打 开,压缩空气直接吹向滤筒中心,对滤筒进行顺序脉冲清灰,恢复低阻运行。
滤筒的规格性能见表6-31。

滤筒在除尘室的布置方式为斜插(LW)式布置时性能见表6-32,直插(LL)式布置时性 能见表6-33。
5.除尘器外形尺寸
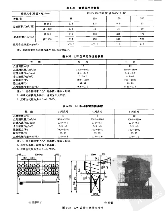
LW式除尘器外形尺寸见图6-37。
LL系列滤筒式除尘器主要外形尺寸及安装尺寸见图6-38和表6-34。

