长锥体旋风除尘器的结构特点是有较长的锥体。除尘效率随着锥体长度的增加而逐渐提高,阻力系数随着锥体长度的增加而下降,但这二者, 当锥体到达一定长度时,效果则相反,因此,一般采 用锥体长度为筒体直径的2. 8倍。
长锥体旋风除尘器的另一个特点是直筒段的长度 较短。当进口气速小于Um/s时,直筒段的长度与除 尘效率无关;当进口气速大于14m/s时,除尘效率因 直筒段长度的增加而提高s阻力系数随着直筒段长度 的缩短而提高^因此,当进口气速为14?16 m/s时, 可不设置直筒段t当进口气速为24?26m/s时》可设 置长度为筒体直径0. 7倍的直筒段。
长锥体旋风除尘器对纤维性的棉尘效率几乎为 100%,-般情况下除尘效率为90%。以滑石粉为 试样,当进Q气速为I3?14m/s时,压力损失为 1100?12G0P&;当进口气速为llm/s时,压力损失为 S00Pao
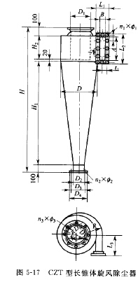
(1) CZT型长锥体旋风除尘器
CZT型长锥体旋风除尘器规格有直径为妇90? 900mm共6种,其选型见表5-18,主要尺寸见图5-17 和表5-19



(2) XCX型长锥体旋风除尘器
XCX型长锥体旋风除尘器除了有长锥体外,在排气管内设置弧形减阻器,使阻力系数 下降10.5%。其规格有直径为纟200?lSOOmm共!4种,有单管和四管两种组合。有导向叶 轮和无导向叶轮两种结构。
XCX型单管长锥体旋风除尘器选型见表5-20,主要尺寸见图5-18和表5-2U XCX型四 管长锥体旋风除尘器选型见表5-22,主要尺寸见图5-19和表5_23?表5-21弧形减阻器的 尺寸见图5-20和表5-260




