筛焦楼地面除尘站_推焦地面除尘站_装煤地面除尘站_焦化厂地面除尘站_河北阔海 - 河北阔海

河北阔海是专业生产除尘器,布袋除尘器,脉冲除尘器,机侧地面除尘站,焦化厂地面除尘站,焦炉地面除尘站,出焦地面除尘站,装煤地面除尘站,推焦地面除尘站,筛焦楼地面除尘站
全国服务热线:18903178757
河北阔海是专业生产除尘器,布袋除尘器,脉冲除尘器,机侧地面除尘站,焦化厂地面除尘站,焦炉地面除尘站,出焦地面除尘站,装煤地面除尘站,推焦地面除尘站,筛焦楼地面除尘站.
当前位置: 网站首页 > 新闻中心 > 除尘器文档 > 高温旋风除尘器

高温旋风除尘器

发布时间:2015-07-20 16:34:28

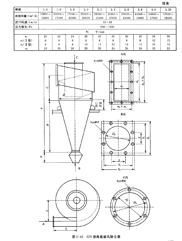
5.11.1技术性能

GN型高温旋风除尘器是专为高浓度、高温含尘气体的预处理除尘器^粉尘浓度可达 I000g/m3,含尘气体温度高达350Ce其除尘效率为80%?95%,压力损失为800? 1200Pa。

结构特点是采用了蜗壳斜向进风和膨胀式集灰斗。

5.11.2 GN型高温旋风除尘器

GN型高温旋风除尘器规格有处理风量自10000?SSOOOmVh共10种,其尺寸见图 和表5-63。

GN型高温旋风除尘器尺寸

GN型高温旋风除尘器

 

脉冲布袋除尘器

与高温旋风除尘器相关的文章

    脉冲布袋除尘器也称(作用:净化空气)有哪些强大的净化效率 脉冲布袋除尘器也称(作用:净化空气)极高的净化效率&mdash;对于0.2&mu;m以上的粉尘(形态:固体微粒),效率高达99.99%以上,排放浓度<1mg/m3;稳定的阻力-PTFE微孔涂膜先进制造技术,使除尘过程实现了表面过......
    现在,环境感染日益严重,在环境保护方面也抓得越来越严,对于环保不达标的公司(Company)给予了严厉的处理(chǔ lǐ),针对这种情况(Condition),我公司也研究(research)了现在的脉冲布袋除尘器也称(作用:净化空气)行业的设备(sh&egrave;b&egrave;i)现状,对现有的除尘设备(......
    脉冲除尘器(作用:净化空气)是现代除尘设备(sh&egrave;b&egrave;i)中使用较为频繁(frequency)的一种除尘器,是指通过(tōng gu&ograve;)喷吹压缩空气的方法除掉过滤材料(Material)上(布袋或滤筒)上附着的粉尘(形态:固体微粒);根据除尘器的大小可能(maybe)有几组脉......
    除尘器(作用:净化空气)布袋损坏的主要原因 除尘器(作用:净化空气)布袋主要损坏原因一般有以下几点: 一、过滤风速 布袋除尘器也称的过滤风速过高,是除尘器布袋损坏的主要原因。近年来,有些单位(unit)盲目(眼睛看不见东西、比喻认识不清)的降低(reduce)设备......


除尘设备 |  单机除尘器 |  矿山除尘器 |  锅炉除尘器 |  旋风除尘器 |  袋式除尘器 |  联系我们 |  网站地图 | 
公司名称:【河北阔海】 公司地址:河北省泊头市交河开发区 电话:0317-8041118 
传真:0317-8041117 手机:18903178757 官方网址:http://www.hebeihuisheng.com/ 备案号:冀ICP备16028451号-5

专业生产安装
锅炉除尘器锅炉布袋除尘器生物质锅炉除尘器燃煤锅炉除尘器矿山除尘器脉冲袋式除尘器袋式除尘器配件及除尘整机系列。